Серия принтеров маркираторов Videojet Wolke m610
Термоструйный принтер Wolke m610 представляет собой передовое решение для систем отслеживания Track and Trace, устанавливая высокую планку качества в своей категории. Благодаря продуманной и интеллектуальной конструкции, устройство органично сочетает в себе исключительную гибкость интеграции с непревзойденными возможностями отслеживания, которые занимают лидирующие позиции в отрасли.
Разработанный с особым вниманием к потребностям фармацевтической сферы, данный принтер полностью отвечает как существующим, так и перспективным требованиям к серийной маркировке продукции. Это делает его идеальным выбором для компаний, стремящихся обеспечить максимальную точность и надежность в процессах идентификации и отслеживания своих товаров.
| В нашей компании вы можете заказать и купить промышленные принтеры (маркираторы) Videojet Wolke m610, а также запасные части и расходные материалы (печатающие головки, картриджи, кабели, модули и т.д.) для принтеров Videojet Wolke m610. Мы предлагаем оригинальное оборудование по конкурентным ценам, сжатые сроки поставки и фирменный сервис. Наши специалисты будут рады проконсультировать по подбору оборудования для ваших нужд! Получите индивидуальное ценовое продложение на промышленные принтеры маркираторы Videojet Wolke m610. |
Характеристики принтера для промышленной маркировки Videojet Wolke m610
Скорость печати / разрешение:
- Максимальное разрешение 600x600 точек на дюйм
- Скорость печати 5-360 кадров в минуту (1,5-109 м/мин) при разрешении 600x240 точек на дюйм
Более высокая скорость печати возможна при более низком разрешении по горизонтали
Возможности печати:
- Полная поддержка загружаемых шрифтов с использованием шрифтов TrueType®
- Фиксированные, изменяемые и объединяемые текстовые поля
- Гибкие форматы даты / времени и кодов сдвига
- Автоматическое вычисление оптимального времени до даты
- Автоматическое увеличение / уменьшение текста и счетчиков
- Поддерживается множество графических форматов (до максимальной площади печати)
Штрих-коды: EAN8, EAN13, UPC-A/E, КОД 39, КОД 128, EAN128, панель данных GS1 (включая 2D composite), DataMatrix, QR, PDF417
Картридж для печати: максимум четыре картриджа для печати высотой 12,7 мм и разрешением 600 точек на дюйм (в комплекте/прошитых или развернутых независимо друг от друга)
Функции, доступные с оригинальными чернильными картриджами Videojet TIJ: автоматическое распознавание картриджа и настройка параметров, отслеживание номера партии чернил; портативное отслеживание уровня чернил и повышение скорости печати.
Дисплей: 8,4-дюймовый TFT SVGA (800x800) полноцветный ЖК-дисплей и сенсорный экран
- Предварительный просмотр в формате WYSIWYG
- Полная диагностика на борту
- Три уровня защиты паролем или расширенная настраиваемая защита паролем
- Обширная языковая поддержка (всего 22 языка)
Интерфейс передачи данных: поддержка RS232, Ethernet, USB-накопителей, текстовых протоколов связи
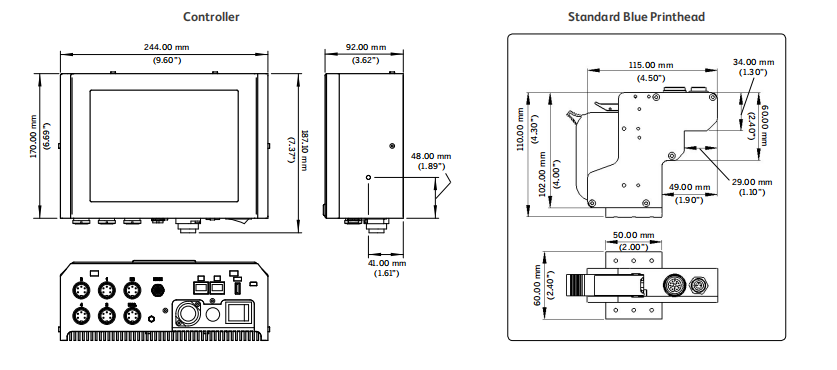
Размеры контроллера:
Длина 9,6 дюйма (244 мм)
Ширина 3,6 дюйма (92 мм)
Высота 6,7 дюйма (170 мм)
Размеры не включают печатающую головку, дополнительные кабели и подключения к источнику питания
Размеры печатающей головки( доступны четыре варианта печатающих головок с различными размерами для удовлетворения требований к линейной интеграции)
Следующие размеры указаны для стандартной синей печатающей головки:
- 4,5 дюйма (115 мм) в длину
- 4,3 дюйма (110 мм) в высоту
- 2,4 дюйма (60 мм) в ширину (на шлифовальной пластине)
Размеры не включают подключение картриджа и кабеля
Размеры красной, зеленой и золотой печатающих головок отличаются по длине и высоте от размеров синей печатающей головки
Диапазон температур: от 41°F до 113°F (от 5°C до 45°C)
Требования к электричеству: 100-240 В переменного тока, 50/60 Гц
Приблизительный вес (контроллер): 3,2 кг



